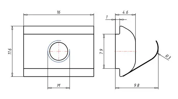
RN08LM4
Roll-in T-Nut w/ Leaf Spring M4, 8 Slot
ACCESSORY PRODUCTS
Your Dynamic Snippet will be displayed here...
This message is displayed because you did not provide both a filter and a template to use.

